YL-EM-7.5KW-155-C series

Yuli YL-EM-7.5KW-155-C series PMSM is widely used in stable power output scenarios such as vehicles, machine tools, etc.Composed of highly reliable core components (high-temp stable permanent magnet,high performance hairpin winding,reluctance resolver and high performance bearings),this motor will provide users long term safe and reliable product experience and service.

Features

Operating Temp:-40°C~150°C

Stable service life: more than 5 years

Duty Cycle: S9

Rated Voltage: 72V

Rated Speed: 3500RPM

Rated Torque: 20.5 N.m

Min. Zero Point Error(mechanical angle and electronic angle): ≤0.3°

Position Synchronized Performance:≥98%

Cooling method: Natural air

High Power with small dimension

Low heat generation and high energy efficiency

Parameters

ItemNameSpec.  ItemNameSpec.  
1Model#YL-EM-7.5KW-155-C9Rated Power7.5KW
2TypeThree-phase PMSM (hairpin winding)10Peak Power20KW
3Pole pairs411Duty CycleS9
4Rated VoltageDC 72V12Protection levelIP67
5Rated Speed3500RPM13Operation Temp-40ºC~150ºC
6Peak Speed7000RPM14Temp SensorNTC 10K 3435@25º
7Rated Torque20.5 N.m15Position Encoder4 pole pair reluctance resolver
8Peak Torque85 N.m16Min. Zero Point Errormechanical angle and electronic angle  ≤0.3º

Position Encoder

NameSpecification
Pole Pairs4
Power Supply10K HZ AC7V rms
Transformer Ratio0.286±10%static
0.286±2% dynamic
Electrical error≤15′
Input impedance110±10Ω
Min. Zero Point Error ≤0.3º
Recommended decoding chipAD2S1210WDSTZRL7 (12bit,4096)

Low-voltage connector model comparison table

#NameSpec.
1Motor connectorDJ70816Y-1.8-11
2Controller connectorDJ70816Y-1.8-21

Low-voltage connector Electrical Parameters

DJ70816Y-1.8-11 PIN definition
PortColorAperture(mm)Definition
1Brown7.5NTC –
2White7.5Sin +
3Yellow7.5Cos +
4Red7.5R1 +
5Grey7.5NTC +
6Blue7.5Sin –
7Green7.5Cos –
8Black7.5R1 –

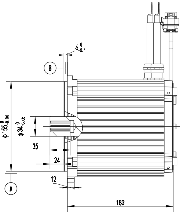
Structure

Internal spline parameters

Real Permanent Magnet SYNCHRONOUS Motor

Is your motor a real Synchronous Motor?
those with incremental encoders built in are actually NOT real Synchronous Motor!

We re-define PM Synchronous Motor during our motor production,
We synchronize home position of Encoder,home position of motor and home position of Controller,
We also synchronize performance of material,home position and output sine wave.

Minimum Zero Point Error (mechanical angle and electronic angle): ≤0.3°
Position Synchronized Performance:≥98%

Reluctance Resolver Built in motor as absolute encoder

Yuli PMSM use High Performance Material

YULI PMSM Winding material:100% red copper

Yuli PMSM Hairpin winding

Yuli PMSM Hairpin winding IP67

Lamination: AHV series silicone steel

Permanent Magnet: UH series, 180°C no degausing

SKF high performance bearings